公司简介 研桥智能 产品中心 新闻中心 联系我们
 
 

FT8430——简易,高性价比小家电供电芯片专家

       FT8430是辉芒微电子(深圳)有限公司顺应市场需求研发出的一款高性能、高精度、低成本的非隔离高压Buck开关电源,主要应用在需要低压或小功率恒压输出的场合。该产品特别适合小家电、智能照明和MCU的供电需求,其亮点是能完全能替代阻容方案。目前该产品可以提供TO-92和SOT23两种封装。

一、主要特点:
       高精度5V输出电压
       低成本BUCK方案,极简外围
       快速启动: 50mS
       低空载功耗: 50mW
       高恒压精度: ±3%
       内置抖频技术,提高EMI性能
       集成高压启动电路和高压功率开关
       内置前沿消隐(LEB)
       内置欠压、过压、过流、过温、短路等保护功能
       支持交流全电压85~264Vac输入
       支持直流电压30~380Vdc输入
       封装形式:TO-92, SOT23-3

典型应用案例:
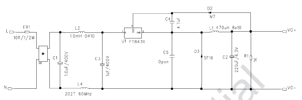
1、阻容降压替代方案
输入电压:90-265V, 输出:5V50mA

性能:
Efficiency ≥ 58% @115Vac/230Vac (满载)
待机功耗=56mw @230V(假负载为1K)
待机功耗<25mw @230V(假负载为10K)
低输出纹波Vripple_p-p ≤ 200mv
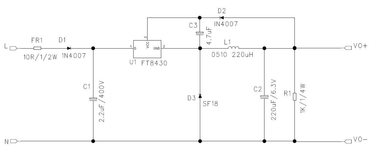
2、输入电压:90-265V, 输出:5V120mA

性能:
Efficiency ≥ 64% @115Vac/230Vac (满载)
待机功耗=54mw @230V(假负载为1K)
待机功耗<24mw @230V(假负载为10K
低输出纹波Vripple_p-p ≤ 200mv
EMC OK
(以上图片仅供参考,实际请以FMD官方样机资料为准)

 
方案介绍
 
授权代理品牌
 
公司简介       研桥智能        产品中心        新闻中心       联系我们






版权所有:深圳市研桥科技有限公司
整合设计:深圳徽文传播

粤ICP备18065275号-1

研桥科技(香港)有限公司
深圳市研桥科技有限公司
深圳市福田区振华路122号海外装饰大厦A座203室
电话:+86-0755-2391 9135    8325 1629 
传真:+86-0755-2391 9137
E-mail:martin@ri-ic.com

研桥微信公众号